elecena.pl

1.5A/4.1A multiple LED Camera flash driver with I2C compatible interface

Texas Instruments

1.5A/4.1A multiple LED Camera flash driver with I2C compatible interface RSS Sample
  • Darmowa próbka
MPN:
TPS61325
Producent:
TEXAS INSTRUMENTS
Dodany do bazy:
Ostatnio widziany:

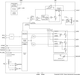
The TPS6132x device is based on a high-frequency synchronous boost topology with constant current sinks to drive up to three white LEDs in parallel (445-mA, 890-mA, 445-mA maximum flash current). The extended high-current mode (HCSEL) allows up to 1025-mA, 2050-mA, and 1025-mA flash current out of the storage capacitor.

The high-capacity storage capacitor on the output of the boost regulator provides the high-peak flash LED current, thereby reducing the peak current demand from the battery to a minimum.

The 2-MHz switching frequency allows the use of small and low profile 2.2-μH inductors. To optimize overall efficiency, the device operates with a 400-mV LED feedback voltage.

The TPS6132x device not only operates as a regulated current source, but also as a standard voltage boost regulator. The device keeps the output voltage regulated even when the input voltage exceeds the nominal output voltage. The device enters power-save mode operation at light load currents to maintain high efficiency over the entire load current range.

To simplify DC-light and flashlight synchronization with the camera module, the device offers a dedicated control interface (STRB0 and STRB1 pins) for zero latency LED turnon time.

Elecena nie prowadzi sprzedaży elementów elektronicznych, ani w niej nie pośredniczy.

Produkt pochodzi z oferty sklepu