elecena.pl

LCD Bias Solution For LCD Panels with 6ch WLED Driver

Texas Instruments

LCD Bias Solution For LCD Panels with 6ch WLED Driver RSS Sample
  • Darmowa próbka
MPN:
TPS65142
Producent:
TEXAS INSTRUMENTS
Dodany do bazy:
Ostatnio widziany:

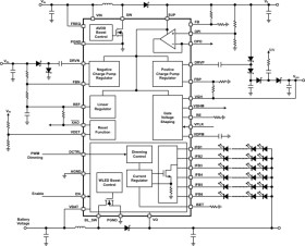
The TPS65142 provides a compact solution to the bias power and the WLED backlight in note-pc TFT-LCD panels. The device features a boost converter, a positive charge pump regulator, and a negative charge pump regulator to power the source drivers and the gate drivers. A 150 mA unity-gain high-speed buffer is offered to drive the VCOM plane. Gate voltage shaping and the LCD discharge function are offered to improve the image quality. A reset function allows a proper reset of the TCON at the power on. The TPS65142 also offers the complete solution to driver up to 6 chains of WLEDs with 1000:1 ratio PWM dimming.

All features are integrated in a compact 6 × 3 mm2 Thin QFN package.

Elecena nie prowadzi sprzedaży elementów elektronicznych, ani w niej nie pośredniczy.

Produkt pochodzi z oferty sklepu