Single Inductor Multiple Outputs (SIMO) for Positive and Negative Output
Texas Instruments
RSS
Sample
- Darmowa próbka
- MPN:
- TPS65136
- Producent:
- TEXAS INSTRUMENTS
- Dodany do bazy:
- Ostatnio widziany:
Sugerowane produkty dla tps65136
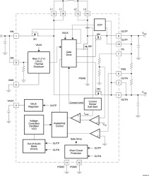
The TPS65136 is designed to provide best-in-class picture quality for active-matrix OLED (AMOLED) displays that require positive and negative supply rails. With its wide input voltage range, the device is ideally suited for AMOLED displays, which are used in mobile phones or SmartPhone devices. With the new single-inductor multiple-output (SIMO) technology, the smallest possible solution size is achieved. The device operates with a buck-boost topology and generates both positive and negative output voltages above or below the input voltage rail. The SIMO technology enables excellent line and load regulation. Excellent line-transient regulation is required to avoid disturbance of the AMOLED display as a result of input voltage variations that occur during transmit periods in mobile communication systems.
Elecena nie prowadzi sprzedaży elementów elektronicznych, ani w niej nie pośredniczy.
Produkt pochodzi z oferty sklepu Texas Instruments