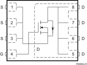
60-V, N channel NexFET™ power MOSFET, single SON 5 mm x 6 mm, 5.9 mOhm
Texas Instruments
RSS
Sample
Przejdź do sklepu »
- Darmowa próbka
- MPN:
- CSD18533Q5A
- Producent:
- TEXAS INSTRUMENTS
- Dodany do bazy:
- Ostatnio widziany:
Sugerowane produkty dla nexfet
This 4.7 mΩ, 60 V, SON 5 × 6 mm NexFET™ power MOSFET is designed to minimize losses in power conversion applications.
Elecena nie prowadzi sprzedaży elementów elektronicznych, ani w niej nie pośredniczy.
Produkt pochodzi z oferty sklepu Texas Instruments