elecena.pl

16-bit ultra-low-power microcontroller, 32kB Flash, 1K RAM

Texas Instruments

16-bit ultra-low-power microcontroller, 32kB Flash, 1K RAM RSS Sample
  • Darmowa próbka
MPN:
MSP430F2274-EP
Producent:
TEXAS INSTRUMENTS
Dodany do bazy:
Ostatnio widziany:

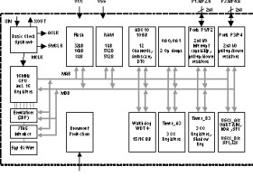
The Texas Instruments MSP430 family of ultralow power microcontrollers consists of several devices featuring different sets of peripherals targeted for various applications. The architecture, combined with five low power modes, is optimized to achieve extended battery life in portable measurement applications. The device features a powerful 16-bit RISC CPU, 16-bit registers, and constant generators that attribute to maximum code efficiency. The digitally controlled oscillator (DCO) allows wake-up from low-power modes to active mode in less than 1 µs.

The MSP430F2274M series is an ultralow-power mixed signal microcontroller with two built-in 16-bit timers, a universal serial communication interface, 10-bit A/D converter with integrated reference and data transfer controller (DTC), two general-purpose operational amplifiers in the MSP430F2274M devices, and 32 I/O pins.

Typical applications include sensor systems that capture analog signals, convert them to digital values, and then process the data for display or for transmission to a host system. Stand-alone RF sensor front end is another area of application.

Elecena nie prowadzi sprzedaży elementów elektronicznych, ani w niej nie pośredniczy.

Produkt pochodzi z oferty sklepu