elecena.pl

Automotive, quad-supply voltage supervisors with programmable delay & watchdog timer

Texas Instruments

Automotive, quad-supply voltage supervisors with programmable delay & watchdog timer RSS Sample
  • Darmowa próbka
MPN:
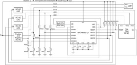
TPS386000-Q1
Producent:
TEXAS INSTRUMENTS
Dodany do bazy:
Ostatnio widziany:

The TPS386000-Q1 family of voltage supervisors can monitor four power rails that are greater than 0.4 V and one power rail less than 0.4 V (including negative voltage) with a 0.25% (typical) threshold accuracy. Each of the four supervisory circuits (SVS-n) assert a RESETn or RESETn output signal when the SENSEm input voltage drops below the programmed threshold. With external resistors, the threshold of each SVS-n can be programmed (where n = 1, 2, 3, 4 and m = 1, 2, 3, 4L, 4H).

Each SVS-n has a programmable delay before releasing RESETn or RESETn. The delay time can be set from 1.4 ms to 10 s through the CTn pin connection. Only SVS-1 has an active-low manual reset (MR) input; a logic-low input to MR asserts RESET1 or RESET1.

SVS-4 monitors the threshold window using two comparators. The extra comparator can be configured as a fifth SVS to monitor negative voltage with voltage reference output VREF.

The TPS386000-Q1 device has a very low quiescent current of 12 µA (typical) and is available in a small, 4-mm × 4-mm, VQFN-20 package.

Elecena nie prowadzi sprzedaży elementów elektronicznych, ani w niej nie pośredniczy.

Produkt pochodzi z oferty sklepu