elecena.pl

Single chip Ultra Low Power RF Transmitter for the 315/433/868/915 MHz SRD band

Texas Instruments

Single chip Ultra Low Power RF Transmitter for the 315/433/868/915 MHz SRD band RSS Sample
  • Darmowa próbka
MPN:
CC1050
Producent:
TEXAS INSTRUMENTS
Dodany do bazy:
Ostatnio widziany:

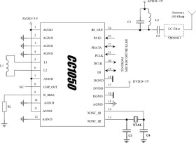
CC1050 is a true single-chip UHF transmitter designed for very low power and very low voltage wireless applications. The circuit is mainly intended for the ISM (Industrial, Scientific and Medical) and SRD (Short Range Device) frequency bands at 315, 433, 868 and 915 MHz, but can easily be programmed for operation at other frequencies in the 300-1000 MHz range.

The main operating parameters of CC1050 can be programmed via an easy-to-interface serial bus, thus making CC1050 a very flexible and easy to use transmitter. In a typical system CC1050 will be used together with a microcontroller and a few external passive components.

CC1050 is based on Chipcon's SmartRF® technology in 0.35 µm CMOS.

Elecena nie prowadzi sprzedaży elementów elektronicznych, ani w niej nie pośredniczy.

Produkt pochodzi z oferty sklepu