60V Low I, Dual, 2-Phase Synchronous Step-Down DC/DC Controller
Analog Devices
RSS
Sample
- Darmowa próbka
- MPN:
- LTC3890-3
- Producent:
- ANALOG DEVICES
- Dodany do bazy:
- Ostatnio widziany:
- Zmiana ceny:
- -100% (18.01.2025)
- Poprzednia cena:
- 5.33
Sugerowane produkty dla loads*
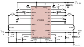
The LTC3890-3 is a high performance dual step-down switching regulator DC/DC controller that drives all N-channel synchronous power MOSFET stages. A constant frequency current mode architecture allows a phase-lockable frequency of up to 850kHz. Power loss and supply noise are minimized by operating the two controller output stages out-of-phase.
The 50μA no-load quiescent current extends operating life in battery-powered systems. OPTI-LOOP® compensation allows the transient response to be optimized over a wide range of output capacitance and ESR values. A wide 4V to 60V input supply range encompasses a wide range of intermediate bus voltages and battery chemistries.
Independent TRACK/SS pins for each controller ramp the output voltages during start-up. Current mode control limits the inductor current during short-circuit conditions. The PLLIN/MODE pin selects among Burst Mode operation, pulse-skipping mode, or continuous conduction mode at light loads.
For versions with different and/or additional features, see the LTC3890 family summary, Table 1, in the Pin Functions section of this data sheet.
LTC3890
LTC3890-1
LTC3890-2
LTC3890-3
Adjustable Current Limit
Yes
No
Yes
No
CLKOUT/PHASMD for
Multiphase Operation
Yes
No
Yes
No
Number of PGood
Outputs
2
1
2
1
OVP – Bottom Gate
Crowbar
Yes
Yes
No
No
Current Limit Foldback
Yes
Yes
No
No
Light Load Operation
when Synced to External
Clock
Forced Continuous
Forced Continuous
Pulse Skipping
Pulse Skipping
SENSE Pins Common
Mode Range
Common Mode < 0.5V
Requires VFB < 0.65V
Common Mode < 0.5V
Requires VFB < 0.65V
Not Dependant on
VFB. Easy to make a
non-synchronous
Boost or SEPIC
Not Dependant on
VFB. Easy to make a
non-synchronous
Boost or SEPIC
Package
5X5 QFN-32
SSOP-28
5X5 QFN-32
SSOP-28
Applications
* Automotive Always-On Systems
* Battery Operated Digital Devices
* Distributed DC Power Systems
* Wide VIN Range: 4V to 60V (65V Abs Max)* Low Operating IQ: 50μA (One Channel On)* Wide Output Voltage Range: 0.8V ≤ VOUT ≤ 24V* RSENSE or DCR Current Sensing* Out-of-Phase Controllers Reduce Input Capacitance and Power Supply Induced Noise* Phase-Lockable Frequency (75kHz to 850kHz)* Programmable Fixed Frequency (50kHz to 900kHz)* Selectable Continuous, Pulse-Skipping or Low Ripple Burst Mode® Operation at Light Loads* Very Low Dropout Operation: 99% Duty Cycle* Adjustable Output Voltage Soft-Start or Tracking* Power Good Output Voltage Monitor* Low Shutdown IQ: <14μA* Internal LDO Powers Gate Drive from VIN or EXTVCC* Narrow SSOP Package
Elecena nie prowadzi sprzedaży elementów elektronicznych, ani w niej nie pośredniczy.
Produkt pochodzi z oferty sklepu Analog Devices