elecena.pl

USB charging port controller with CDP/SDP auto switch and 2.5A power switch with load detection

Texas Instruments

USB charging port controller with CDP/SDP auto switch and 2.5A power switch with load detection RSS Sample
  • Darmowa próbka
MPN:
TPS2546
Producent:
TEXAS INSTRUMENTS
Dodany do bazy:
Ostatnio widziany:

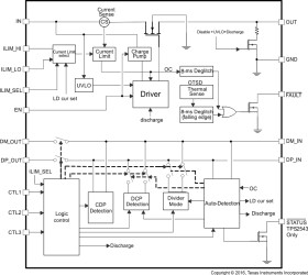
The TPS2546 is a USB charging port controller and power switch with an integrated USB 2.0 high-speed data line (D+/D–) switch. TPS2546 provides the electrical signatures on D+/D– to support charging schemes listed under . TI tests charging of popular mobile phones, tablets, and media devices with the TPS2546 to ensure compatibility with both BC1.2 compliant, and non-BC1.2 compliant devices.

In addition to charging popular devices, the TPS2546 also supports two distinct power management features, namely, power wake and port power management (PPM) through the STATUS pin. Power wake allows for power supply control in S4/S5 charging and PPM the ability to manage port power in a multi-port application. Additionally, system wake up (from S3) with a mouse/keyboard (both low speed and full speed) is fully supported in the TPS2546.

The TPS2546 73-mΩ power-distribution switch is intended for applications where heavy capacitive loads and short-circuits are likely to be encountered. Two programmable current thresholds provide flexibility for setting current limits and load detect thresholds.

Elecena nie prowadzi sprzedaży elementów elektronicznych, ani w niej nie pośredniczy.

Produkt pochodzi z oferty sklepu