Adjustable, 0.5% 50-ppm/°C precision micropower shunt voltage reference
Texas Instruments
RSS
Sample
- Darmowa próbka
- MPN:
- TL4051C
- Producent:
- TEXAS INSTRUMENTS
- Dodany do bazy:
- Ostatnio widziany:
Sugerowane produkty dla tl4051
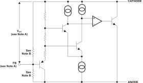
The TL4051 series of shunt voltage references are versatile easy-to-use references designed for a wide array of applications. The device is available in a fixed 1.225V output or an adjustable output whose voltage is determined by an external resistor divider. The device requires no external capacitors for operation and is stable with all capacitive loads. Additionally, the reference offers low dynamic impedance, low noise, and low temperature coefficient to maintain a stable output voltage over a wide range of operating currents and temperatures.
The TL4051 is offered in three initial tolerances, ranging from 0.1% (max) for the A grade to 0.5% (max) for the C grade. Thus, a great deal of flexibility is offered to designers in choosing the best cost-to-performance ratio for any application. Packaged in the space-saving SOT-23-3 and SC-70 packages and requiring a minimum current of 45µA (typical), the TL4051 also is an excellent choice for portable applications.
The TL4051xI is characterized for operation over an ambient temperature range of –40°C to 85°C. The TL4051xQ is characterized for operation over an ambient temperature range of –40°C to 125°C.
Elecena nie prowadzi sprzedaży elementów elektronicznych, ani w niej nie pośredniczy.
Produkt pochodzi z oferty sklepu Texas Instruments