elecena.pl

4.5V to 18V Input, 2-A Synchronous Step-Down Converter with Eco-Mode

Texas Instruments

4.5V to 18V Input, 2-A Synchronous Step-Down Converter with Eco-Mode RSS Sample
  • Darmowa próbka
MPN:
TPS54229E
Producent:
TEXAS INSTRUMENTS
Dodany do bazy:
Ostatnio widziany:

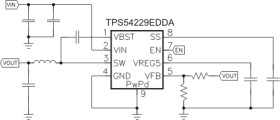
The TPS54229E is an adaptive on-time D-CAP2 mode synchronous buck converter. The TPS54229E enables system designers to complete the suite of various end-equipment power bus regulators with a cost effective, low component count, low standby current solution. The main control loop for the TPS54229E uses the D-CAP2 mode control that provides a fast transient response with no external compensation components. The adaptive on-time control supports seamless transition between PWM mode at higher load conditions and Eco-mode™ operation at light loads. Eco-mode™ allows the TPS54229E to maintain high efficiency during lighter load conditions. The TPS54229E also has a proprietary circuit that enables the device to adopt to both low equivalent series resistance (ESR) output capacitors, such as POSCAP or SP-CAP, and ultra-low ESR ceramic capacitors. The device operates from 4.5-V to 18-V VIN input. The output voltage can be programmed between 0.76 V and 7 V. The device also features an adjustable soft start time. The TPS54229E is available in the 8-pin DDA package, and designed to operate from –40°C to 85°C.

Elecena nie prowadzi sprzedaży elementów elektronicznych, ani w niej nie pośredniczy.

Produkt pochodzi z oferty sklepu