elecena.pl

Zero-Drift, High Voltage Programmable Gain Amplifier

Texas Instruments

Zero-Drift, High Voltage Programmable Gain Amplifier RSS Sample
  • Darmowa próbka
MPN:
PGA281
Producent:
TEXAS INSTRUMENTS
Dodany do bazy:
Ostatnio widziany:

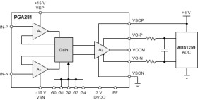
The PGA281 is a high-precision instrumentation amplifier with a digitally-controllable gain and signal-integrity test capability. This device uses proprietary autozeroing techniques to offer low offset voltage, near-zero offset and gain drift, excellent linearity, and nearly no 1/f noise.

The PGA281 is optimized to provide an excellent common-mode rejection of greater than 110 dB (G = 1) over a wide frequency range. Superior common-mode and supply rejection supports high-resolution, precise measurement. The 36-V supply capability and wide, high-impedance input range comply with requirements for universal signal measurement.

The PGA281 offers multiple internal gain options from ⅛ V/V (attenuation) to 176 V/V, making this a universal, high-performance, analog front-end suitable for a wide variety of applications. The fully differential, rail-to-rail output is designed to easily interface a wide range of input signals to the low-voltage domain of high-resolution analog-to-digital converters (ADCs).

The PGA281 is available in a TSSOP-16 package and is specified over a temperature range of –40°C to +105°C.

Elecena nie prowadzi sprzedaży elementów elektronicznych, ani w niej nie pośredniczy.

Produkt pochodzi z oferty sklepu