elecena.pl

3-V to 22-V, 8-A synchronous buck converter

Texas Instruments

3-V to 22-V, 8-A synchronous buck converter RSS Sample
  • Darmowa próbka
MPN:
TPS51363
Producent:
TEXAS INSTRUMENTS
Dodany do bazy:
Ostatnio widziany:

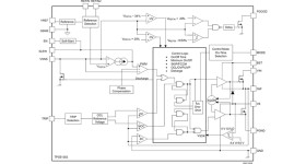
The TPS51363 is a high-voltage input, synchronous converter with integrated FET, based on D-CAP2 control topology, which enables fast transient response and supports both POSCAP and all MLCC output capacitors. TI proprietary FET technology combined with TI leading-edge package technology provides the highest density solution for single-output power rail such as VCCIO and VDDQ for DDR notebook memory, or any point-of-load (POL) in wide application.

The feature set includes switching frequency of 400 kHz and 800 kHz. Programmable soft-start time with an external capacitor. auto skip, pre-bias startup, integrated bootstrap switch, power good, enable and a full suite of fault protection schemes, including OCL, UVP, OVP, 5-V UVLO and thermal shutdown.

It is packaged in 3.5 mm × 4.5 mm, 0.4-mm pitch, 28-pin QFN (RVE), and specified from –10°C to 85°C.

Elecena nie prowadzi sprzedaży elementów elektronicznych, ani w niej nie pośredniczy.

Produkt pochodzi z oferty sklepu