elecena.pl

Dual-channel, 10-bit, 500-MSPS digital-to-analog converter (DAC)

Texas Instruments

Dual-channel, 10-bit, 500-MSPS digital-to-analog converter (DAC) RSS Sample
  • Darmowa próbka
MPN:
DAC3154
Producent:
TEXAS INSTRUMENTS
Dodany do bazy:
Ostatnio widziany:

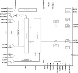
The DAC3154/DAC3164 are dual channel 10-/12-bit, pin-compatible family of 500 MSPS digital-to-analog converters (DAC). The DAC3154/DAC3164 use a 10-/12-bit wide LVDS digital bus with an input FIFO. FIFO input and output pointers can be synchronized across multiple devices for precise signal synchronization. The DAC outputs are current sourcing and terminate to GND with a compliance range of –0.5 to 1V. DAC3154/ DAC3164 are pin compatible with the dual-channel, 14-bit, 500 MSPS digital-to-analog converters DAC3174, and the single-channel, 14-/12-10-bit, digital-to-analog converters DAC3171/DAC3161/DAC3151.

The devices are available in a QFN-64 PowerPAD package is specified over the full industrial temperature range (–40°C to 85°C).

Elecena nie prowadzi sprzedaży elementów elektronicznych, ani w niej nie pośredniczy.

Produkt pochodzi z oferty sklepu