elecena.pl

Triple Differential Driver for Wideband Video

Analog Devices

Triple Differential Driver for Wideband Video RSS Sample
  • Darmowa próbka
MPN:
AD8147
Producent:
ANALOG DEVICES
Dodany do bazy:
Ostatnio widziany:

The AD8146/AD8147/AD8148 are high speed triple, differential or single-ended input to differential output drivers. The AD8146 and AD8147 have a fixed gain of 2, and the AD8148 has a fixed gain of 4. They are all specifically designed for the highest resolution component video signals but can be used for any type of analog signals or high speed data transmission over either Category 5 UTP cable or differential printed circuit board (PCB) transmission lines.

These drivers can be used with the AD8145 triple differential-to-singled-ended receiver, and the AD8117 crosspoint switch to produce a video distribution system capable of supporting UXGA or 1080p signals.

Manufactured on the Analog Devices, Inc. second generation XFCB bipolar process, the drivers have large signal bandwidths of 700 MHz and fast slew rates. They have an internal common-mode feedback feature that provides output amplitude and phase matching that is balanced to −60 dB at 50 MHz, suppressing even-order harmonics and minimizing radiated electromagnetic interference (EMI).

The common-mode voltage of each AD8146 output can be set to any level, allowing transmission of signals over the common-mode voltages. The AD8147 and AD8148 encode the vertical and horizontal sync signals on the common-mode voltages of the outputs. All outputs can be independently set to low voltage states to be used with series diodes for line isolation, allowing easy differential multiplexing over the same twisted pair cable.

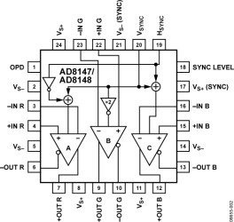
The AD8146/AD8147/AD8148 are available in a 24-lead LFCSP and operate over a temperature range of −40°C to +85°C.

Applications

* QXGA or 1080p video transmission

* KVM networking

* Video over unshielded twisted pair (UTP)

* Differential signal multiplexing

* Triple high speed fully differential driver 700 MHz, −3 dB, 2 V p-p bandwidth (AD8146/AD8148) 600 MHz, −3 dB, 2 V p-p bandwidth (AD8147) 200 MHz, 0.1 dB, 2 V p-p bandwidth 3000 V/μs slew rate * Fixed gain (AD8146/AD8147: G = 2, AD8148: G = 4) * Differential or single-ended input to differential output Can be used as differential-to-differential receiver * Drives one or two 100 Ω UTP cables * Adjustable output common-mode voltage (AD8146)

Elecena nie prowadzi sprzedaży elementów elektronicznych, ani w niej nie pośredniczy.

Produkt pochodzi z oferty sklepu