elecena.pl

4.5V to 28V Input Synchronous Step Down Controller with EcoMode

Texas Instruments

4.5V to 28V Input Synchronous Step Down Controller with EcoMode RSS Sample
  • Darmowa próbka
MPN:
TPS53219
Producent:
TEXAS INSTRUMENTS
Dodany do bazy:
Ostatnio widziany:

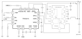
The TPS53219 is small-sized single buck controller with adaptive on-time D-CAP™ mode control. The device is suitable for low output voltage, high current, PC system power rail and similar point-of-load (POL) power supplies in digital consumer products. The small package and minimal pin-count save space on the PCB, while the dedicated EN pin and pre-set frequency selections simplify the power supply design. The skip-mode at light load conditions, strong gate drivers and low-side FET RDS(on) current sensing supports low-loss and high efficiency, over a broad load range. The conversion input voltage (high-side FET drain voltage) range is between 3 V and 28 V, and the output voltage range is between 0.6 V and 5.5 V. The TPS53219 is available in a 16-pin, QFN package specified from –40°C to 85°C.

Elecena nie prowadzi sprzedaży elementów elektronicznych, ani w niej nie pośredniczy.

Produkt pochodzi z oferty sklepu