elecena.pl

Resonant-Switching Driver Controller for LED Lighting

Texas Instruments

Resonant-Switching Driver Controller for LED Lighting RSS Sample
  • Darmowa próbka
MPN:
TPS92023
Producent:
TEXAS INSTRUMENTS
Dodany do bazy:
Ostatnio widziany:

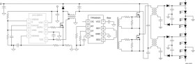
The TPS92023 is a high-performance resonant- switching LED driver controller. It is designed for use in higher power LED lighting systems. The TPS92023 uses resonant switching in an LLC topology to achieve a very high efficiency compared to traditional half-bridge converters.

The programmable dead time enables zero-voltage switching with minimum magnetizing current, maximizing system efficiency across a variety of applications.

The TPS92023 can operate in two switching frequency modes. Fixed frequency allows for simple design when the load current is constant while variable switching allows for optimal closed-loop control for loads with varying currents. The internal oscillator supports the switching frequencies from 30 kHz to 380 kHz. This high-accuracy oscillator realizes the minimum switching frequency limiting with 4% tolerance, allowing the designer to avoid of the power stage and, thus, further reducing overall system cost.

Elecena nie prowadzi sprzedaży elementów elektronicznych, ani w niej nie pośredniczy.

Produkt pochodzi z oferty sklepu