elecena.pl

16-channel LED driver with 20Mhz data transfer rate with dot correctionn and full diagnose

Texas Instruments

16-channel LED driver with 20Mhz data transfer rate with dot correctionn and full diagnose RSS Sample
  • Darmowa próbka
MPN:
TLC5923
Producent:
TEXAS INSTRUMENTS
Dodany do bazy:
Ostatnio widziany:

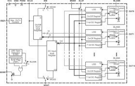
The TLC5923 is a 16 channel constant-current sink driver. Each channel has a On/Off state and a 128-step adjustable constant current sink (dot correction). The dot correction adjusts the brightness variations between LED, LED channels and other LED drivers. Both dot correction and On/Off state are accessible via a serial data interface. A single external resistor sets the maximum current of all 16 channels.

The TLC5923 features two error information circuits. The LED open detection (LOD) indicates a broken or disconnected LED at an output terminal. The thermal error flag (TEF) indicates an overtemperature condition.

Elecena nie prowadzi sprzedaży elementów elektronicznych, ani w niej nie pośredniczy.

Produkt pochodzi z oferty sklepu