elecena.pl

2.5-V to 18-V hot swap controller with power limiting and current monitoring

Texas Instruments

2.5-V to 18-V hot swap controller with power limiting and current monitoring RSS Sample
  • Darmowa próbka
MPN:
TPS24720
Producent:
TEXAS INSTRUMENTS
Dodany do bazy:
Ostatnio widziany:

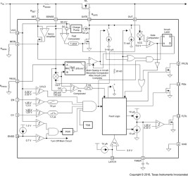
The TPS24720 is an easy-to-use, full-featured protection device for 2.5-V to 18-V power rails. This hot-swap controller drives an external N-channel MOSFET, while protecting source, load and external MOSFET against multiple potentially damaging events. During startup, load current and MOSFET power dissipation are limited to user-selected values. After startup, currents above the user-selected limit will be allowed to flow until programmed timeout – except in extreme overload events when load is immediately disconnected from source.

Programmable power limiting ensures the external MOSFET operates inside its safe operating area (SOA) at all times. This allows use of smaller FETs while improving system reliability. Power good, Fault, FET Fault, and current monitor outputs are provided for system status monitoring and downstream load control.

Elecena nie prowadzi sprzedaży elementów elektronicznych, ani w niej nie pośredniczy.

Produkt pochodzi z oferty sklepu