elecena.pl

Automotive, 28-W, 2-ch, 6- to 24-V analog SE input Class-D audio amplifier w/ I2C diag & load dump

Texas Instruments

Automotive, 28-W, 2-ch, 6- to 24-V analog SE input Class-D audio amplifier w/ I2C diag & load dump RSS Sample
  • Darmowa próbka
MPN:
TAS5412-Q1
Producent:
TEXAS INSTRUMENTS
Dodany do bazy:
Ostatnio widziany:

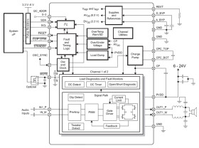
The device is a two-channel digital audio amplifier designed for use in automotive head units and external amplifiers. It provides two channels at 28 W into 4 Ω at 10% THD+N from 14.4 V or 46 W into 2 Ω at 10% THD+N. The digital PWM topology provides dramatic improvements in efficiency over traditional linear amplifier solutions. This reduces the power dissipated by the amplifier by a factor of ten under typical music playback conditions. The device incorporates a patented PWM design that provides excellent power-supply rejection in the harsh electrical environment common in automotive applications. Applications attain high efficiency without the need for complicated power supply schemes. The design allows synchronization of multiple devices.

The device incorporates all the functionality needed to perform in the demanding OEM applications area, including load diagnostic functions for detecting and diagnosing misconnected outputs.

Elecena nie prowadzi sprzedaży elementów elektronicznych, ani w niej nie pośredniczy.

Produkt pochodzi z oferty sklepu