elecena.pl

Bidirectional current DC/DC controller

Texas Instruments

Bidirectional current DC/DC controller RSS Sample
  • Darmowa próbka
MPN:
EMB1499Q
Producent:
TEXAS INSTRUMENTS
Dodany do bazy:
Ostatnio widziany:

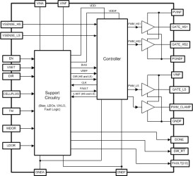
The EMB1499Q bidirectional current dc/dc controller IC works in conjunction with the EMB1428 switch matrix gate driver IC to support TI’s switch matrix based active cell balancing scheme for a battery management system. The EMB1499Q provides three PWM MOSFET gate signals to a bidirectional forward converter so that its output current, either positive or negative, is regulated around a user-defined magnitude. This inductor current is channeled by the EMB1428 through the switch matrix to the cell that needs to be charged or discharged. In a typical scheme, the EMB1499Q-based forward converter exchanges energy between a single cell and the battery stack to which it belongs, with a maximum stack voltage of up to 60 V. The switching frequency is fixed at 250 kHz. The EMB1499Q senses cell voltage, inductor current and stack current and provides protection from abnormal conditions during balancing.

The EMB1499Q also provides an active clamp timing signal to control an external FET driver for the primary-side active clamp FET. The EMB1499Q is enabled and disabled by the EMB1428. Fault conditions detected by the EMB1499Q are communicated to the EMB1428 through the DONE and FAULT pins.

Elecena nie prowadzi sprzedaży elementów elektronicznych, ani w niej nie pośredniczy.

Produkt pochodzi z oferty sklepu