elecena.pl

65-V max 3-phase gate driver with current shunt amplifiers & SPI

Texas Instruments

65-V max 3-phase gate driver with current shunt amplifiers & SPI RSS Sample
  • Darmowa próbka
MPN:
DRV8303
Producent:
TEXAS INSTRUMENTS
Dodany do bazy:
Ostatnio widziany:

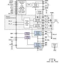
The DRV8303 is a gate driver IC for three-phase motor-drive applications. The device provides three half bridge drivers, each capable of driving two N-channel MOSFETs. The device supports up to 1.7-A source and 2.3-A peak current capability. The DRV8303 can operate off of a single power supply with a wide range from 6-V to 60-V. It uses a bootstrap gate-driver architecture with trickle charge circuitry to support 100% duty cycle. The DRV8303 uses automatic hand shaking when the high-side or low-side MOSFET is switching to prevent current shoot through. Integrated VDS sensing of the high-side and low-side MOSFETs is used to protect the external power stage against overcurrent conditions.

The DRV8303 includes two current-shunt amplifiers for accurate current measurement. The amplifiers support bi-directional current sensing and provide and adjustable output offset up to 3 V.

The serial peripheral interface (SPI) provides detailed fault reporting and flexible parameter settings such as gain options for the current-shunt amplifiers and slew-rate control of the gate drivers.

For all available packages, see the orderable addendum at the end of the data sheet.

Elecena nie prowadzi sprzedaży elementów elektronicznych, ani w niej nie pośredniczy.

Produkt pochodzi z oferty sklepu