elecena.pl

Ultralow Power NTSC/PAL/SECAM Video Decoder w/Robust Sync Detector

Texas Instruments

Ultralow Power NTSC/PAL/SECAM Video Decoder w/Robust Sync Detector RSS Sample
  • Darmowa próbka
MPN:
TVP5150AM1
Producent:
TEXAS INSTRUMENTS
Dodany do bazy:
Ostatnio widziany:

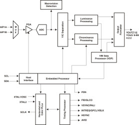
The TVP5150AM1 device is an ultralow-power NTSC/PAL/SECAM video decoder. Available in a space-saving 48-terminal PBGA package or a 32-terminal TQFP package, the TVP5150AM1 decoder converts NTSC, PAL, and SECAM video signals to 8-bit ITU-R BT.656 format. Discrete syncs are also available. The optimized architecture of the TVP5150AM1 decoder allows for ultralow power consumption. The decoder consumes 115-mW power under typical operating conditions and consumes less than 1 mW in power-down mode, considerably increasing battery life in portable applications. The decoder uses just one crystal for all supported standards. The TVP5150AM1 decoder can be programmed using an I2C serial interface.

The TVP5150AM1 decoder converts baseband analog video into digital YCbCr 4:2:2 component video. Composite and S-video inputs are supported. The TVP5150AM1 decoder includes one 9-bit analog-to-digital converter (ADC) with 2× sampling. Sampling is ITU-R BT.601 (27.0 MHz, generated from the 14.31818-MHz crystal or oscillator input) and is line locked. The output formats can be 8-bit 4:2:2 or 8-bit ITU-R BT.656 with embedded synchronization.

The TVP5150AM1 decoder utilizes Texas Instruments patented technology for locking to weak, noisy, or unstable signals. A Genlock/real-time control (RTC) output is generated for synchronizing downstream video encoders.

Complementary four-line adaptive comb filtering is available for both the luminance and chrominance data paths to reduce both cross-luminance and cross-chrominance artifacts; a chrominance trap filter is also available.

Video characteristics including hue, brightness, saturation, and sharpness may be programmed using the industry standard I2C serial interface. The TVP5150AM1 decoder generates synchronization, blanking, lock, and clock signals in addition to digital video outputs. The TVP5150AM1 decoder includes methods for advanced vertical blanking interval (VBI) data retrieval. The VBI data processor slices, parses, and performs error checking on teletext, closed caption, and other data in several formats.

The TVP5150AM1 decoder detects copy-protected input signals according to the Macrovision™ standard and detects Type 1, 2, 3, and colorstripe processes.

The main blocks of the TVP5150AM1 decoder include:

* Robust sync detector * ADC with analog processor * Y/C separation using four-line adaptive comb filter * Chrominance processor * Luminance processor * Video clock/timing processor and power-down control * Output formatter * I2C interface * VBI data processor * Macrovision detection for composite and S-video

Elecena nie prowadzi sprzedaży elementów elektronicznych, ani w niej nie pośredniczy.

Produkt pochodzi z oferty sklepu