Triple Buck Power Management IC (PMIC) for Solid-State Drives
Texas Instruments
RSS
Sample
Przejdź do sklepu »
- Darmowa próbka
- MPN:
- LM10524
- Producent:
- TEXAS INSTRUMENTS
- Dodany do bazy:
- Ostatnio widziany:
Sugerowane produkty dla lm10524
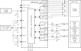
LM10524 is an advanced PMU containing three configurable, high-efficiency buck regulators for supplying variable voltages. The device is ideal for supporting ASIC and SOC designs for SSD and Flash drives.
The LM10524 can operate cooperatively with an ASIC to optimize the supply voltage for low-power conditions and to control power saving modes via the SPI interface.
Elecena nie prowadzi sprzedaży elementów elektronicznych, ani w niej nie pośredniczy.
Produkt pochodzi z oferty sklepu Texas Instruments