Off-line primary-side sensing controller for LED Lighting
Texas Instruments
RSS
Sample
- Darmowa próbka
- MPN:
- TPS92315
- Producent:
- TEXAS INSTRUMENTS
- Dodany do bazy:
- Ostatnio widziany:
Sugerowane produkty dla tps92315
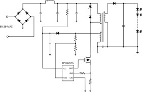
The TPS92315 flyback power supply controller provides isolated output current regulation without the use of an optical coupler. The devices process operating information from the primary power switch and an auxiliary flyback winding to provide precise output current control. Low start-up current, dynamically controlled operating states and a tailored modulation profile support very low stand-by power without sacrificing start-up time or output transient response.
Control algorithms in the TPS92315 allow operating efficiencies to meet or exceed applicable standards. The drive output interfaces to a FET power switch. Discontinuous Conduction Mode (DCM) with valley switching is used to reduce switching losses. A combination of switching frequency and peak primary current amplitude modulation is used to keep conversion efficiency high across the full load and input voltage range.
The controller has a maximum switching frequency of 130 kHz and always maintains control of the peak primary current in the transformer. Protection features help keep secondary and primary component stress levels in check across the operation range.
Elecena nie prowadzi sprzedaży elementów elektronicznych, ani w niej nie pośredniczy.
Produkt pochodzi z oferty sklepu Texas Instruments