BQ51003 Wireless power Receiver
Texas Instruments
RSS
Sample
- Darmowa próbka
- MPN:
- BQ51003
- Producent:
- TEXAS INSTRUMENTS
- Dodany do bazy:
- Ostatnio widziany:
Sugerowane produkty dla bq51003
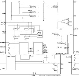
The bq51003 is an advanced, integrated, receiver IC for wireless power transfer in portable applications optimized for 2.5-W and below applications. The device provides the AC-DC power conversion while integrating the digital control required to comply with the Qi v1.2 communication protocol. Together with the bq500212A transmitter controller, the bq51003 enables a complete contact-less power transfer system for a wireless power supply solution. By using near-field inductive power transfer, the receiver coil embedded in the portable device receives the power transmitted by the transmitter coil through mutually coupled inductors. The AC signal from the receiver coil is then rectified and regulated to be used as a power supply for down-system electronics. Global feedback is established from the secondary to the transmitter to stabilize the power transfer process through back-scatter modulation. This feedback is established by using the Qi v1.2 communication protocol supporting up to 2.5-W applications.
The device integrates a low-impedance full synchronous rectifier, low-dropout regulator, digital control, and accurate voltage and current loops.
Elecena nie prowadzi sprzedaży elementów elektronicznych, ani w niej nie pośredniczy.
Produkt pochodzi z oferty sklepu Texas Instruments