elecena.pl

Automotive USB charging port controller and power switch

Texas Instruments

Automotive USB charging port controller and power switch RSS Sample
  • Darmowa próbka
MPN:
TPS2546-Q1
Producent:
TEXAS INSTRUMENTS
Dodany do bazy:
Ostatnio widziany:

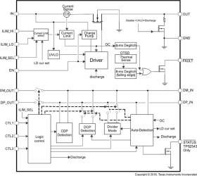
The TPS2546-Q1 is a USB charging port controller and power switch with an integrated USB 2.0 high-speed data line (D+/D–) switch. TPS2546-Q1 provides the electrical signatures on D+/D– to support charging schemes listed under Feature Description. TI tests charging of popular mobile phones, tablets, and media devices with the TPS2546 to ensure compatibility with both BC1.2 compliant, and non-BC1.2 compliant devices.

In addition to charging popular devices, the TPS2546-Q1 also supports two distinct power management features, namely, power wake and port power management (PPM) through the STATUS pin. Power wake allows for power supply control in S4/S5 charging and PPM the ability to manage port power in a multi-port application. Additionally, system wake up (from S3) with a mouse/keyboard (both low speed and full speed) is fully supported in the TPS2546-Q1.

The TPS2546-Q1 73-mΩ power-distribution switch is intended for applications where heavy capacitive loads and short-circuits are likely to be encountered. Two programmable current thresholds provide flexibility for setting current limits and load detect thresholds.

Elecena nie prowadzi sprzedaży elementów elektronicznych, ani w niej nie pośredniczy.

Produkt pochodzi z oferty sklepu