elecena.pl

Quad-Channel Integrated Analog Front End for Automotive Radar

Texas Instruments

Quad-Channel Integrated Analog Front End for Automotive Radar RSS Sample
  • Darmowa próbka
MPN:
AFE5401-Q1
Producent:
TEXAS INSTRUMENTS
Dodany do bazy:
Ostatnio widziany:

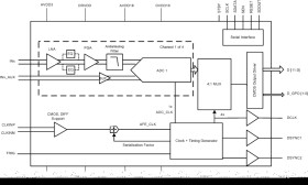
The AFE5401-Q1 is an analog front-end (AFE), targeting applications where the level of integration is critical. The device includes four channels, with each channel comprising a low-noise amplifier (LNA), a programmable equalizer (EQ), a programmable gain amplifier (PGA), and an antialias filter followed by a high-speed, 12-bit, analog-to-digital converter (ADC) at 25 MSPS per channel.

Each of the four differential input pairs are amplified by an LNA and are followed by a PGA with a programmable gain range from 0 dB to 30 dB. An antialias, low-pass filter (LPF) is also integrated between the PGA and ADC for each channel.

Each LNA, PGA, and antialiasing filter output is differential (limited to 2 VPP). The antialiasing filter drives the on-chip, 12-bit, 25-MSPS ADC. The four ADC outputs are multiplexed on a 12-bit, parallel, CMOS output bus.

The device is available in a 9-mm × 9-mm, VQFN-64 package and is specified over a temperature range of –40°C to +105°C. For more information, contact AFE5401info@list.ti.com.

Elecena nie prowadzi sprzedaży elementów elektronicznych, ani w niej nie pośredniczy.

Produkt pochodzi z oferty sklepu