6 to 10-Series Cell Li-Ion and Li-Phosphate Battery Monitor (bq76940 Family)
Texas Instruments
RSS
Sample
- Darmowa próbka
- MPN:
- BQ76930
- Producent:
- TEXAS INSTRUMENTS
- Dodany do bazy:
- Ostatnio widziany:
Sugerowane produkty dla bq76940
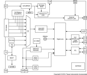
The BQ769x0 family of robust analog front-end (AFE) devices serves as part of a complete pack monitoring and protection solution for next-generation, high-power systems, such as light electric vehicles, power tools, and uninterruptible power supplies. The BQ769x0 is designed with low power in mind: Sub-blocks within the IC may be enabled or disabled to control the overall chip current consumption, and a SHIP mode provides a simple way to put the pack into an ultra-low power state.
The BQ76920 device supports up to 5-series cells or typical 18-V packs, the BQ76930 handles up to 10-series cells or typical 36-V packs, and the BQ76940 works for up to 15-series cells or typical 48-V packs. A variety of battery chemistries may be managed with these AFEs, including Li-ion, Li-iron phosphate, and more. Through I2C, a host controller can use the BQ769x0 to implement many battery pack management functions, such as monitoring (cell voltages, pack current, pack temperatures), protection (controlling charge/discharge FETs), and balancing. Integrated A/D converters enable a purely digital readout of critical system parameters, with calibration handled in TI’s manufacturing process.
Elecena nie prowadzi sprzedaży elementów elektronicznych, ani w niej nie pośredniczy.
Produkt pochodzi z oferty sklepu Texas Instruments