PolyPhase Step-Down Slave Controller for Digital Power System Management
Analog Devices
RSS
Sample
- Darmowa próbka
- MPN:
- LTC3870
- Producent:
- ANALOG DEVICES
- Dodany do bazy:
- Ostatnio widziany:
- Zmiana ceny:
- -100% (21.01.2025)
- Poprzednia cena:
- 2.84
Sugerowane produkty dla sharing*
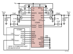
The LTC3870 is a PolyPhase® step-down slave controller specially designed for multiphase operation with the LTC3880 family digital power system management DC/DC controllers. It provides a small and cost effective solution for supplying very large currents by cascading it with a master controller. A peak current mode architecture provides the LTC3870 with excellent current sharing from phase to phase and from chip to chip.
Coherently working with the LTC3880 family, the LTC3870 does not require additional I2C addresses, and it supports all programmable features as well as fault protection. The constant switching frequency can be synchronized to an external clock from the master controller from 100kHz to 1MHz.
Onboard MOSFET Gate Drivers
Package
LTC3870
Yes
4x5 QFN-28
LTC3870-1
No – Works with DrMOS and Power Blocks
4x4 QFN-24
Applications
* High Power Distributed Power Systems
* Telecom Systems
* Industrial Applications
* LTC3880 Family Phase Extender Supporting LTC3880/3880-1, LTC3883/3883-1, LTC3886, LTC3887 Master Controllers* Cascade with Multiple Chips for Very Large Current Applications* Accurate PolyPhase Current Sharing* EXTVCC Capable of 5V to 14V Input* Wide VIN Range: 4.5V to 60V
Elecena nie prowadzi sprzedaży elementów elektronicznych, ani w niej nie pośredniczy.
Produkt pochodzi z oferty sklepu Analog Devices