elecena.pl

4.5-V to 60-V Input, 3.5-A, Step Down DC-DC Converter with Soft-Start

Texas Instruments

4.5-V to 60-V Input, 3.5-A, Step Down DC-DC Converter with Soft-Start RSS Sample
  • Darmowa próbka
MPN:
TPS54361-Q1
Producent:
TEXAS INSTRUMENTS
Dodany do bazy:
Ostatnio widziany:

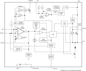
The TPS54361-Q1 device is a 60-V, 3.5-A, step down regulator with an integrated high side MOSFET. The device survives load dump pulses up to 65 V per ISO 7637. Current mode control provides simple external compensation and flexible component selection. A low ripple pulse skip mode and supply current of 152-µA enables high efficiency at light loads. Shutdown supply current is reduced to 2 µA when the enable pin is pulled low.

Undervoltage lockout is internally set at 4.3 V but can increase using an external resistor divider at the enable pin. The output voltage startup ramp is controlled by the soft start pin that can also be configured for sequencing/tracking. An open-drain power-good signal indicates the output is within 93% to 106% of the nominal voltage.

A wide adjustable switching-frequency range allows for optimization of either efficiency or external component size. Cycle-by-cycle current-limit, frequency foldback and thermal shutdown protects internal and external components during an overload condition.

The TPS54361-Q1 device is available in a 10-pin 4 mm × 4 mm WSON exposed thermal pad package.

Elecena nie prowadzi sprzedaży elementów elektronicznych, ani w niej nie pośredniczy.

Produkt pochodzi z oferty sklepu