Switch-controlled, direct drive, linear controller for offline LED drivers
Texas Instruments
RSS
Sample
- Darmowa próbka
- MPN:
- TPS92410
- Producent:
- TEXAS INSTRUMENTS
- Dodany do bazy:
- Ostatnio widziany:
Sugerowane produkty dla tps92410
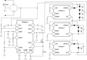
The TPS92410 is an advanced linear driver with high voltage start-up intended for use in low power, offline LED lighting applications. It can be used to regulate the average LED current through LEDs in conjunction with the TPS92411 direct drive switch.
The TPS92410 features a reference voltage that can be used to set the current level as well as the thermal foldback threshold. A multiplier is included to obtain excellent power factor while maintaining good line regulation. Other features include under-voltage lockout, over-voltage protection, forward phase dimmer detection with change to constant current mode, thermal foldback, and thermal shutdown.
For all available packages, see the orderable addendum at
Elecena nie prowadzi sprzedaży elementów elektronicznych, ani w niej nie pośredniczy.
Produkt pochodzi z oferty sklepu Texas Instruments