2.7-V to 18-V, 42mΩ, 0.6-5.2A eFuse with reverse current blocking, IMON and PG
Texas Instruments
RSS
Sample
- Darmowa próbka
- MPN:
- TPS25942A
- Producent:
- TEXAS INSTRUMENTS
- Dodany do bazy:
- Ostatnio widziany:
Sugerowane produkty dla tps25944
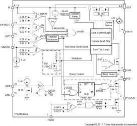
The TPS25942, TPS25944 eFuse Power MUX is a compact, feature rich power management device with a full suite of protection functions. The wide operating range allows control of many popular DC bus voltages. Integrated back-to-back FETs provide bidirectional current control making the device well suited for power muxing and systems with multiple power sources.
Load, source and device protection are provided with many programmable features. Thresholds for undervoltage, overvoltage, overcurrent, dVo/dt ramp rate, power good, and in-rush current protection are all programmable to suit specific system requirements. For system status monitoring and downstream load control, the device provides PGOOD, FLT and precise current monitor output.
The TPS25942, TPS25944 monitor V(IN) and V(OUT) to provide true reverse blocking from output when V(IN) < (V(OUT) – 10 mV). The device can be configured to assign Main/Auxiliary supply priority using the FLT and DMODE pins.
Elecena nie prowadzi sprzedaży elementów elektronicznych, ani w niej nie pośredniczy.
Produkt pochodzi z oferty sklepu Texas Instruments