elecena.pl

Integrated Power Solution with Quad Buck Regulators and Supervisory Circuits

Analog Devices

Integrated Power Solution with Quad Buck Regulators and Supervisory Circuits RSS Sample
  • Darmowa próbka
MPN:
ADP5053
Producent:
ANALOG DEVICES
Dodany do bazy:
Ostatnio widziany:
Zmiana ceny:
-100% (17.01.2025)
Poprzednia cena:
4.87

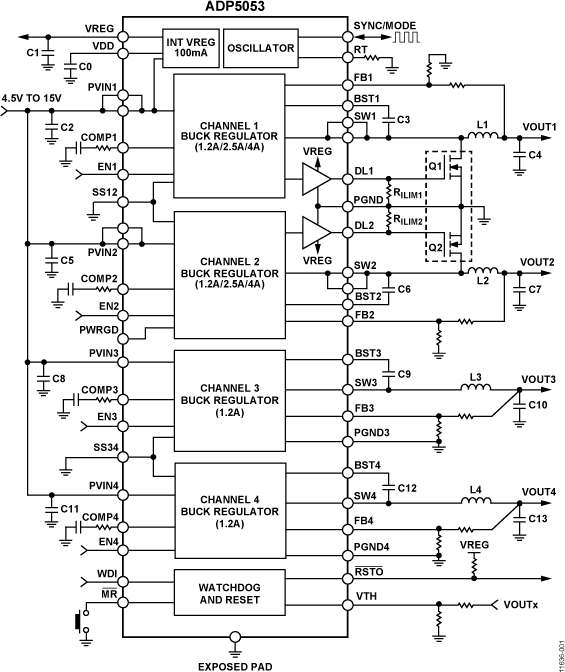
The ADP5053 combines four high performance buck regulators, a supervisory circuit, a watchdog timer, and a manual reset in a 48-lead LFCSP package that meets demanding performance and board space requirements. The device enables direct connection to high input voltages up to 15.0 V with no preregulators.

Channel 1 and Channel 2 integrate high-side power MOSFET and low-side MOSFET drivers. External NFETs can be used in low-side power devices to achieve an efficiency optimized solution and deliver a programmable output current of 1.2 A, 2.5 A, or 4 A. Combining Channel 1 and Channel 2 in a parallel configuration can provide a single output with up to 8 A of current.

Channel 3 and Channel 4 integrate both high-side and low-side MOSFETs to deliver an output current of 1.2 A.

The switching frequency of the ADP5053 can be programmed or synchronized to an external clock. The ADP5053 contains a precision enable pin on each channel for easy power-up sequencing or adjustable UVLO threshold.

The ADP5053 contains supervisory circuits that monitor the voltage level. The watchdog timer can generate a reset if the WDI pin is not toggled within a preset timeout period. Processor reset mode or system power on/off switch mode can be selected for manual reset functionality.

Applications

* Small cell base stations

* FPGA and processor applications

* Security and surveillance

* Medical applications

* Wide input voltage range: 4.5 V to 15.0 V

* ±1.5% output accuracy over full temperature range

* 250 kHz to 1.4 MHz adjustable switching frequency

* Adjustable/fixed output options via factory fuse

* Power regulation

* Channel 1 and Channel 2: programmable 1.2 A/2.5 A/4 A sync buck regulators with low-side FET driver

* Channel 3 and Channel 4: 1.2 A sync buck regulators

* Single 8 A output (Channel 1 and Channel 2 operated in parallel)

* Precision enable with 0.8 V accurate threshold

* Active output discharge switch

* FPWM or automatic PWM/PSM selection

* Frequency synchronization input or output

* Optional latch-off protection on OVP/OCP failure

* Power-good flag on selected channels

* UVLO, OCP, and TSD protection

* Open-drain processor reset with external adjustable threshold monitoring

* Watchdog refresh input

* Manual reset input

Elecena nie prowadzi sprzedaży elementów elektronicznych, ani w niej nie pośredniczy.

Produkt pochodzi z oferty sklepu