elecena.pl

Current-limit switch and D+/D– ESD protection for USB Host

Texas Instruments

Current-limit switch and D+/D– ESD protection for USB Host RSS Sample
  • Darmowa próbka
MPN:
TPD3S044
Producent:
TEXAS INSTRUMENTS
Dodany do bazy:
Ostatnio widziany:

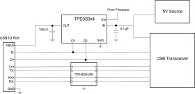
The TPD3S0x4s are integrated devices that feature a current-limited load switch and a two-channel transient voltage suppressor (TVS) based electrostatic discharge (ESD) protection diode array for USB interfaces.

The TPD3S0x4 devices are intended for applications such as USB where heavy capacitive loads and short-circuits are likely to be encountered; TPD3S0x4s provide short-circuit protection and overcurrent protection. The TPD3S0x4s limit the output current to a safe level by operating in constant current mode when the output load exceeds the current limit threshold. The fast overload response eases the burden on the main 5-V power supply by quickly regulating the power when the output is shorted. The rise and fall times for the current limit switch are controlled to minimize current surges when turning the device on and off.

The TPD3S014 and TPD3S044 will allow 0.5 A and 1.5 A of continuous current, respectively. The TVS diode array is rated to dissipate ESD strikes above the maximum level specified in the IEC 61000-4-2 international standard.

The high level of integration, combined with its easy-to-route DBV package, allows this device to provide great circuit protection for USB interfaces in applications like laptops, high-definition digital TVs, set-top boxes, and electronic point of sale equipment.

Elecena nie prowadzi sprzedaży elementów elektronicznych, ani w niej nie pośredniczy.

Produkt pochodzi z oferty sklepu