elecena.pl

3V-17V 1A Automotive Step-Down Converters in 2x2SON

Texas Instruments

3V-17V 1A Automotive Step-Down Converters in 2x2SON RSS Sample
  • Darmowa próbka
MPN:
TPS62160-Q1
Producent:
TEXAS INSTRUMENTS
Dodany do bazy:
Ostatnio widziany:

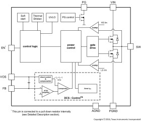
The TPS6216x-Q1 are easy to use synchronous step down DC-DC converters optimized for applications with high power density. A high switching frequency of typically 2.25 MHz allows the use of small inductors and provides fast transient response as well as high output voltage accuracy by using the DCS-Control™ topology.

With their wide operating input voltage range of 3 V to 17 V, the devices are ideally suited for systems powered from either a Li-Ion or other battery as well as from 12-V intermediate power rails. It supports up to 1-A continuous output current at output voltages between 0.9 V and 6 V (with 100% duty cycle mode).

Power sequencing is also possible by configuring the Enable and open-drain Power Good pins.

In Power Save Mode, the devices draw quiescent current of about 17 µA from VIN. Power Save Mode, entered automatically and seamlessly if load is small, maintains high efficiency over the entire load range. In Shutdown Mode, the device is turned off and shutdown current consumption is less than 2 µA.

The devices are available in adjustable and fixed output voltage versions and are packaged in an 8-pin WSON package measuring 2 × 2 mm (DSG).

Elecena nie prowadzi sprzedaży elementów elektronicznych, ani w niej nie pośredniczy.

Produkt pochodzi z oferty sklepu