elecena.pl

TPS2514A-Q1 USB dedicated charging port controller

Texas Instruments

TPS2514A-Q1 USB dedicated charging port controller RSS Sample
  • Darmowa próbka
MPN:
TPS2514A-Q1
Producent:
TEXAS INSTRUMENTS
Dodany do bazy:
Ostatnio widziany:

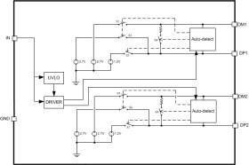
The TPS2513A-Q1 and TPS2514A-Q1 are USB dedicated charging port (DCP) controllers, used for the charging of most popular mobile phones and tablets. An auto-detect feature monitors USB data line voltage, and automatically provides the correct electrical signatures on the data lines to charge compliant devices among the following dedicated charging schemes:

Divider 3 mode, required to apply 2.7 V and 2.7 V on the D+ and D- Lines respectivelyBC1.2 shorted mode, required to short the D+ Line to the D– Line1.2 V mode, required to apply 1.2 V on the D+ and D– Lines Use with the TPS2561A-Q1 and TPS2513A-Q1 (dual channel), TPS2557-Q1 and TPS2514A-Q1 (single channel) for low loss, automotive qualified, USB Charging Port Solution capable of charging all of today’s popular phones and tablets.

Elecena nie prowadzi sprzedaży elementów elektronicznych, ani w niej nie pośredniczy.

Produkt pochodzi z oferty sklepu