elecena.pl

Programmable Hex Voltage Supervisor with EEPROM and Comparator Outputs

Analog Devices

Programmable Hex Voltage Supervisor with EEPROM and Comparator Outputs RSS Sample
  • Darmowa próbka
MPN:
LTC2936
Producent:
ANALOG DEVICES
Dodany do bazy:
Ostatnio widziany:
Zmiana ceny:
-100% (21.01.2025)
Poprzednia cena:
6.67

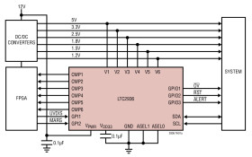
The LTC2936 is an EEPROM configurable voltage supervisor which can simultaneously monitor up to six power supply voltage inputs. Each voltage detector offers I2C programmable overvoltage/undervoltage thresholds in various ranges and increments and a dedicated comparator output.

Two general purpose inputs (GPI) can be configured as programmable manual reset (MR), UV disable (UVDIS), margin (MARG), Write Protect (WP) or auxiliary comparator (AUXC) inputs. Three general purpose pins (GPIO) can be configured for input or output operation. When configured as an input, a GPIO pin can be mapped to any other GPIO configured as output. The GPIO pins can also be configured as ALERT or fault outputs. Faults can be configured with programmable delay-on-release times. Output type and polarity are also configurable.

Status and history registers log faults and can be polled via the I2C interface. A fault snapshot is also backed up in internal EEPROM. All parameters are programmable via the I2C interface. Configuration EEPROM supports autonomous operation without additional software.

Applications

* High Availability Computer Systems

* Network Servers

* Telecom Equipment

* Data Storage

* Supervises 6 Power Supplies

* I2C Adjustable UV and OV Trip Points

* Guaranteed Threshold Accuracy: ±1% (Maximum)

* I2C/SMBus Interface

* Internal EEPROM

* Six Comparator Outputs

* Fast Comparator Response Time: 7.5μs

* 256 Programmable Thresholds per Channel

* Three Range Settings per Channel

* Two General Purpose Inputs

* Three General Purpose Inputs/Outputs

* Programmable Output Delays

* Can Be Powered from 3.3V, or 3.4V to 13.9V

* 24-Lead 4mm × 5mm QFN and SSOP Packages

Elecena nie prowadzi sprzedaży elementów elektronicznych, ani w niej nie pośredniczy.

Produkt pochodzi z oferty sklepu