elecena.pl

42-V 2.5-A buck current regulator for LED Lighting

Texas Instruments

42-V 2.5-A buck current regulator for LED Lighting RSS Sample
  • Darmowa próbka
MPN:
TPS92512
Producent:
TEXAS INSTRUMENTS
Dodany do bazy:
Ostatnio widziany:

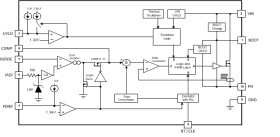
The TPS92512/HV are 2.5A step-down (buck) current regulators with an integrated MOSFET to drive high current LEDs. Available with 42 V and 60 V (HV) input ranges, these LED drivers operate at a user selected fixed-frequency with peak-current mode control and deliver excellent line and load regulation.

The TPS92512/HV LED drivers feature separate inputs for analog and pulse width modulation (PWM) dimming for no compromise brightness control achieving contrast ratios of greater than 10:1 and greater than 100:1, respectively. The PWM input is compatible with low-voltage logic standards for easy interface to a broad range of microcontrollers. The analog LED current setpoint is adjustable from 0 V to 300 mV using the IADJ input with an external 0 V to 1.8 V signal.

For multi-string applications using two or more TPS92512/HV LED drivers, the internal oscillator can be overdriven by an external clock ensuring all of the converters operate at a common frequency thereby reducing the potential for beat frequencies and simplifying system EMI filtering. An adjustable input under-voltage lockout (UVLO) with hysteresis provides flexibility in setting start/stop voltages based upon supply voltage conditions.

The TPS92512 includes cycle-by-cycle overcurrent protection and thermal shutdown protection. It is available in a 10-pin HVSSOP PowerPAD™ package.

Elecena nie prowadzi sprzedaży elementów elektronicznych, ani w niej nie pośredniczy.

Produkt pochodzi z oferty sklepu