elecena.pl

Low Power 5 electrode ECG Analog Front End

Analog Devices

Low Power 5 electrode ECG Analog Front End RSS Sample
  • Darmowa próbka
MPN:
ADAS1000-1
Producent:
ANALOG DEVICES
Dodany do bazy:
Ostatnio widziany:
Zmiana ceny:
-100% (20.01.2025)
Poprzednia cena:
17.89

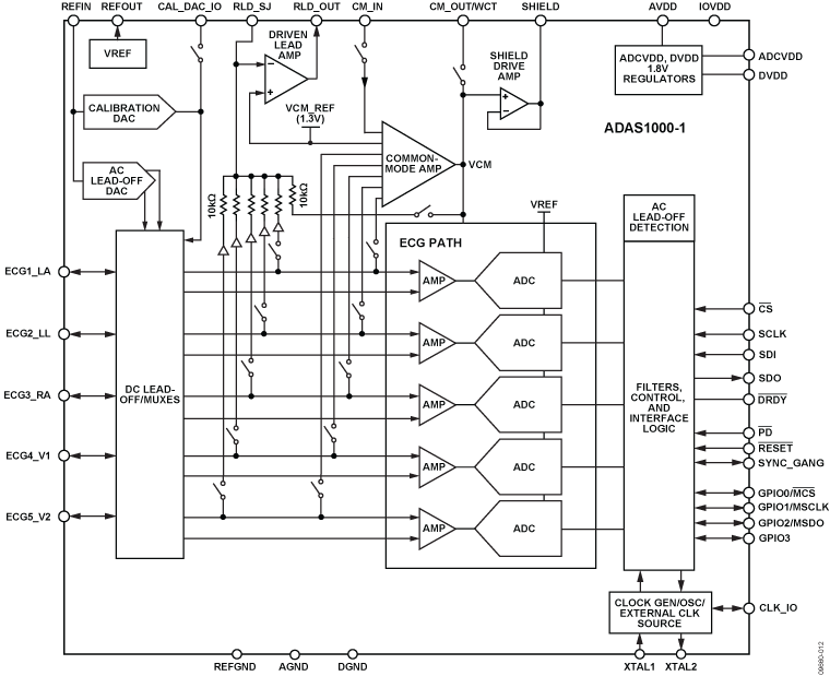
The ADAS1000-1 is a 5 electrode ECG analog front end designed to measure electro cardiac (ECG) signals and lead-on/off status and output this information in the form of a data frame supplying either lead/vector or electrode data at programmable data rates. Its low power and small size make it suitable for portable, battery-powered applications. The high performance also makes it suitable for higher end diagnostic machines.

The ADAS1000-1 is one of the family of ADAS1000 generics tailored for ECG applications, the ADAS1000-1 has a subset of features of the family. The ADAS1000 family are designed to simplify the task of acquiring and ensuring quality ECG signals. They provide a low power, small data acquisition system for biopotential applications. Auxiliary features that aid in better quality ECG signal acquisition include: multichannel averaged driven lead, selectable reference drive, fast overload recovery, flexible respiration circuitry returning magnitude and phase information, internal pace detection algorithm operating on three leads, and the option of ac or dc lead-off detection. Several digital output options ensure flexibility when monitoring and analyzing signals. Value-added cardiac post processing is executed externally on a DSP, microprocessor, or FPGA.

Because ECG systems span different applications, these products feature a power/ noise scaling architecture where the noise can be reduced at the expense of increasing power consumption. Signal acquisition channels may be shut down to save power. Data rates can be reduced to save power.

To ease manufacturing tests and development as well as offer holistic power-up testing, the ADAS1000-1 offers a suite of features, such as dc and ac test excitation via the calibration DAC and CRC redundancy testing in addition to readback of all relevant register address space.

The input structure is a differential amplifier input thereby allowing users a variety of configuration options to best suit their application.

The ADAS1000-1 is available in a 56-lead LFCSP package and is specified over −40°C to +85°C temperature range.

Applications

ECG: Monitor & Diagnostic

* Bedside Patient Monitoring

* Portable Telemetry

* Holter

* AED

* Cardiac Defibrillators

* Ambulatory Monitors

* Pace Maker Programmer

* Patient Transport

* Stress testing

* Biopotential signals in; digitized signals out

* 5 acquisition (ECG) channels and one driven lead

* Parallel ICs for up to 10+ electrode measurements

* Primary ADAS1000 or ADAS1000-1 used with secondary

ADAS1000-2

* AC and dc lead-off detection

* Internal pace detection algorithm on 3 leads

* Support for user’s own pace

* Thoracic impedance measurement (internal/external path)

* Selectable reference lead

* Scalable noise vs. power control, power-down modes

* Low power operation from

Elecena nie prowadzi sprzedaży elementów elektronicznych, ani w niej nie pośredniczy.

Produkt pochodzi z oferty sklepu