elecena.pl

Single Supply Sensor Interface Amplifier

Analog Devices

Single Supply Sensor Interface Amplifier RSS Sample
  • Darmowa próbka
MPN:
AD22057
Producent:
ANALOG DEVICES
Dodany do bazy:
Ostatnio widziany:
Zmiana ceny:
-100% (18.01.2025)
Poprzednia cena:
7.88

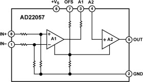
The AD22057 is a single-supply difference amplifier for the amplification and low-pass filtering of small differential voltages from sources having a large common-mode voltage.

Supply voltages from +3 V to +36 V can be used. The input common-mode range extends from below ground to 24 V using a +5 V supply with excellent rejection of this common-mode voltage.

This range is achieved by the use of a special resitive attenuator at the input, laser trimmed to a very high differential balance. Low initial offset voltage and offset voltage drift are specified, and long-term stability of gain and offset voltage is also provided.

Provisions are included for optional low-pass filtering and gain adjustment. An accurate midscale offset feature allows bipolar signals to be amplified.

* Gain of ×20 Alterable from ×1 to ×160

* Input CMR from Below Ground to 6× (VS - 1 V)

* Output Span 20 mV to (VS - 0.2) V

* 1-, 2-, 3-Pole Low-Pass Filtering Available

* Accurate Midscale Offset Capability

* Differential Input Resistance 400 kΩ

* Drives 1kΩ Load to +4 V Using VS = +5 V

* Supply Voltage: +3.0 V to +36 V

* Transient Spike Protection and RFI

Filters Included

* Peak Input Voltage (40 ms): 60 V

* Reversed Supply Protection: -34 V

* Operating Temperature Range: -40°C

to +125°C

Elecena nie prowadzi sprzedaży elementów elektronicznych, ani w niej nie pośredniczy.

Produkt pochodzi z oferty sklepu