elecena.pl

Three-Channel Digital Power Supply Controller

Analog Devices

Three-Channel Digital Power Supply Controller RSS Sample
  • Darmowa próbka
MPN:
ADP1053
Producent:
ANALOG DEVICES
Dodany do bazy:
Ostatnio widziany:
Zmiana ceny:
-100% (18.01.2025)
Poprzednia cena:
5.67

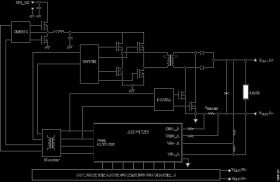
The ADP1053, based on a voltage mode PWM architecture, is a flexible, application dedicated digital controller designed for isolated and non-isolated dc-to-dc power supply applications. The ADP1053 enables highly efficient power supply design and facilitates the introduction of intelligent power management techniques to improve energy efficiency at a system level.

The ADP1053 provides control, monitoring, and protection of up to three independent channel outputs. The eight flexible PWM outputs can be configured as three independent channels: two regulated channels with feedback control plus one additional unregulated channel with a fixed duty cycle. The frequency of these three channels can be programmed individually from 50 kHz to 625 kHz; all channels can be synchronized internally or to an external signal.

All eight PWM outputs can also be assigned to enable a single-channel solution, which may be required in high power, high efficiency applications.

Features include differential voltage sensing, fast current sensing, flexible start-up sequencing and tracking, and synchronization between devices to reduce low frequency system noise. Protection and monitoring features include overcurrent protection (OCP), undervoltage protection (UVP), overvoltage protection (OVP), and overtemperature protection (OTP).

APPLICATIONS

* AC-to-DC power supplies

* Isolated dc-to-dc power supplies

* Intermediate rail power supplies

* Non-isolated dc-to-dc power converter

* Configurable 8-PWM engine with up to 3 channels

* 2 independent digitally controlled channel outputs

* Voltage mode PWM control with 625 ps resolution

* Remote voltage sensing on both channels

Elecena nie prowadzi sprzedaży elementów elektronicznych, ani w niej nie pośredniczy.

Produkt pochodzi z oferty sklepu