elecena.pl

Digital Controller for Power Supply Applications with PMB Interface

Analog Devices

Digital Controller for Power Supply Applications with PMB Interface RSS Sample
  • Darmowa próbka
MPN:
ADP1055
Producent:
ANALOG DEVICES
Dodany do bazy:
Ostatnio widziany:
Zmiana ceny:
-100% (21.01.2025)
Poprzednia cena:
5.41

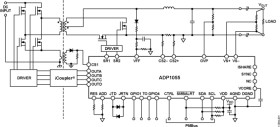
The ADP1055 is a flexible, feature-rich digital secondary side controller that targets ac-to-dc and isolated dc-to-dc secondary side applications. The ADP1055 is optimized for minimal component count, maximum flexibility, and minimum design time. Features include differential remote voltage sense, primary and secondary side current sense, pulse-width modulation (PWM) generation, frequency synchronization, redundant OVP, and current sharing. The control loop digital filter and compensation terms are integrated and can be programmed over the PMBus™ interface. Programmable protection features include overcurrent (OCP), overvoltage (OVP) limiting, undervoltage lockout (UVLO), and external overtemperature (OTP).

The built-in EEPROM provides extensive programming of the integrated loop filter, PWM signal timing, inrush current, and soft start timing and sequencing. Reliability is improved through a built-in checksum and programmable protection circuits.

A comprehensive GUI is provided for easy design of loop filter characteristics and programming of the safety features. The industry-standard PMBus provides access to the many monitoring and system test functions. The ADP1055 is available in a 32-lead LFCSP and operates from a single 3.3 V supply.

APPLICATIONS

* Isolated dc-to-dc power supplies and modules

* Redundant power supply systems

* −40°C to +125°C operation with EEPROM data retention of 15 years at 125°C

* PMBus Revision 1.2 compliant

* 32-bit password protection with command masking

* 64 address selections (16 base addresses, expandable to 64)

* 6 PWM control signals, 625 ps resolution

* Duty cycle double update rate

* Digital control loop (PID + additional pole or zero configurability)

* Programmable loop filters (CCM, DCM, low/normal temperature)

Elecena nie prowadzi sprzedaży elementów elektronicznych, ani w niej nie pośredniczy.

Produkt pochodzi z oferty sklepu