elecena.pl

WLED driver for notebook and Tablet display

Texas Instruments

WLED driver for notebook and Tablet display RSS Sample
  • Darmowa próbka
MPN:
TPS61177A
Producent:
TEXAS INSTRUMENTS
Dodany do bazy:
Ostatnio widziany:

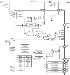
The TPS61177A device provides a highly integrated white LED (WLED) driver solution for notebook LCD backlight. This device has a built-in high-efficiency boost regulator with integrated 1.8-A, 40-V power MOSFET. The six current sink regulators provide high precision current regulation and matching. In total, the device can support up to 72 WLEDs. In addition, the boost output automatically adjusts its voltage to the WLED forward voltage to optimize efficiency.

The TPS61177A supports the analog dimming, analog and PWM dimming, and direct PWM dimming method. During analog dimming mode, each CS current linearly varies depending on the duty cycle information on the PWMB pin. During analog and PWM mixed dimming mode, the input PWM duty cycle information is translated to an analog signal to control the WLED current linearly over 25% to 100% brightness area. The device also allows adding PWM dimming when the analog current is down to 25%. Below 25%, the analog signal translates to PWM duty cycle information to control the on or off of WLED current and averages the WLED current down to 1%. The frequency of adding PWM dimming is same to input PWM frequency on the PWMB pin. While the TPS61177A also supports a direct PWM dimming method, in direct PWM dimming mode the WLED current is turned on or off, synchronized with the input PWM signal.

Elecena nie prowadzi sprzedaży elementów elektronicznych, ani w niej nie pośredniczy.

Produkt pochodzi z oferty sklepu