elecena.pl

Automotive 12-bit constant-current sink LED driver

Texas Instruments

Automotive 12-bit constant-current sink LED driver RSS Sample
  • Darmowa próbka
MPN:
TLC6C5712-Q1
Producent:
TEXAS INSTRUMENTS
Dodany do bazy:
Ostatnio widziany:

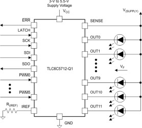
In automotive cluster and other safety-critical LED driver applications, the performance demand for multi-channel LED is increasing to achieve consistency of LED brightness and color temperature. System-level safety considerations require detection capability for various fault scenarios and thus increase system complexity.

The TLC6C5712-Q1 device is a 12-channel constant-current-sink LED driver. The precision output current with 8-bit dot correction makes the TLC6C5712-Q1 device a perfect solution to correct LED brightness and color temperature variation. Advanced protection and diagnostics for each component improve system-level robustness and ease safety-oriented design. Six PWM inputs with programmable mapping support different LED color-dimming configurations and provide a high dimming ratio. A 16-bit serial-peripheral interface (SPI with diagnostics supports multiple devices in a daisy chain and eases the system-level design.

Elecena nie prowadzi sprzedaży elementów elektronicznych, ani w niej nie pośredniczy.

Produkt pochodzi z oferty sklepu