elecena.pl

5.5-V to 24-V, dual-synchronous buck controller with Out-of-Audio™ mode and 3.2 ms soft start

Texas Instruments

5.5-V to 24-V, dual-synchronous buck controller with Out-of-Audio™ mode and 3.2 ms soft start RSS Sample
  • Darmowa próbka
MPN:
TPS51275B-1
Producent:
TEXAS INSTRUMENTS
Dodany do bazy:
Ostatnio widziany:

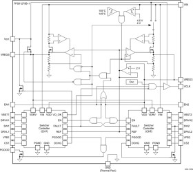
The TPS51275B-1 device is a cost-effective, dual-synchronous buck controller targeted for notebook system-power supply solutions. The device has 5-V and 3.3-V low-dropout regulators (LDOs) and requires few external components. The 260-kHz VCLK output can be used to drive an external charge pump, generating gate drive voltage for the load switches without reducing the main converter efficiency. The TPS51275B-1 device supports high efficiency, fast transient response and provides a combined power-good signal. Adaptive on-time, D-CAP control provides convenient and efficient operation. The device operates with a supply input voltage ranging from 5 to 24 V and supports output voltages of 5 V and 3.3 V. The TPS51275B-1 device is available in a 20-pin, 3-mm × 3-mm, WQFN package and is specified from –40°C to 85°C.

Elecena nie prowadzi sprzedaży elementów elektronicznych, ani w niej nie pośredniczy.

Produkt pochodzi z oferty sklepu