elecena.pl

47-V H-bridge smart gate driver

Texas Instruments

47-V H-bridge smart gate driver RSS Sample
  • Darmowa próbka
MPN:
DRV8701
Producent:
TEXAS INSTRUMENTS
Dodany do bazy:
Ostatnio widziany:

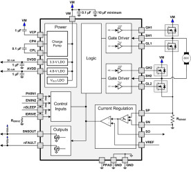
The DRV8701 is a single H-bridge gate driver that uses four external N-channel MOSFETs targeted to drive a 12-V to 24-V bidirectional brushed DC motor.

A PH/EN (DRV8701E) or PWM (DRV8701P) interface allows simple interfacing to controller circuits. An internal sense amplifier allows for adjustable current control. The gate driver includes circuitry to regulate the winding current using fixed off-time PWM current chopping.

DRV8701 drives both high- and low-side FETs with 9.5-V VGS gate drive. The gate drive current for all external FETs is configurable with a single external resistor on the IDRIVE pin.

A low-power sleep mode is provided which shuts down internal circuitry to achieve very-low quiescent current draw. This sleep mode can be set by taking the nSLEEP pin low.

Internal protection functions are provided: undervoltage lockout, charge pump faults, overcurrent shutdown, short-circuit protection, predriver faults, and overtemperature. Fault conditions are indicated on the nFAULT pin.

Elecena nie prowadzi sprzedaży elementów elektronicznych, ani w niej nie pośredniczy.

Produkt pochodzi z oferty sklepu