5-LED Main/Sub Display Driver with Dual LDO
Analog Devices
RSS
Sample
- Darmowa próbka
- MPN:
- LTC3230
- Producent:
- ANALOG DEVICES
- Dodany do bazy:
- Ostatnio widziany:
- Zmiana ceny:
- -100% (17.01.2025)
- Poprzednia cena:
- 2.08
Sugerowane produkty dla ltc3230
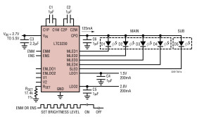
The LTC3230 is a low noise charge pump DC/DC converter designed to drive 4 Main LEDs and 1 Sub LED, plus two 200mA linear regulators to provide additional system power. The LTC3230 charge pump requires only four small ceramic capacitors and one current set resistor to form a complete LED power supply and current controller.
Built-in soft-start circuitry prevents excessive inrush cur- rent during start-up and mode changes. High switching frequency enables the use of small external capacitors. Main and Sub full-scale current settings are programmed by a single external resistor.
Charge pump efficiency is optimized based on the voltage across the LED current sources. The part powers up in 1x mode and automatically switches to the next higher mode, 1.5x and subsequently 2x, whenever any LED current source approaches dropout.
Two 200mA linear regulators have independent enable and output voltage select pins. Each regulator can be set to one of three pre-selected output voltages with tri-level input pins. The regulators may be enabled independently of the charge pump.
The LTC3230 is available in a low profile (0.75mm) 3mm x 3mm 20-lead QFN package.
Applications
* Multi-LED Driver and Dual LDO Supplies for Cell Phone, PDA, Digital Camera and PND Applications
* Low Noise Charge Pump Provides High Efficiency with Automatic Mode Switching
* Multimode Operation: 1x, 1.5x, 2x
* Full-Scale Current Set Resistor
* Up to 125mA Total LED Current
* Single Wire Enable/Brightness Control for Main and Sub Display LEDs
* 32:1 Linear LED Brightness Control
* Dual 200mA Linear Regulators
* Four 25mA Low Dropout Main LED Current Sources
* One 25mA Low Dropout Sub LED Current Source
* Low Noise Constant Frequency Operation
* Low Shutdown Current: 3µA
* Internal Soft-Start Limits Inrush Current During Start-Up and Mode Switching
* Open/Short LED Protection
* No Inductors
* 20-Lead 3mm x 3mm QFN Package
Elecena nie prowadzi sprzedaży elementów elektronicznych, ani w niej nie pośredniczy.
Produkt pochodzi z oferty sklepu Analog Devices