elecena.pl

520kHz/1.6MHz space efficient boost and SEPIC DC-DC regulator

Texas Instruments

520kHz/1.6MHz space efficient boost and SEPIC DC-DC regulator RSS Sample
  • Darmowa próbka
MPN:
LM2735
Producent:
TEXAS INSTRUMENTS
Dodany do bazy:
Ostatnio widziany:

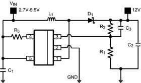
The LM2735 device is an easy-to-use, space-efficient 2.1-A low-side switch regulator, ideal for Boost and SEPIC DC/DC regulation. The device provides all the active functions to provide local DC-DC conversion with fast-transient response and accurate regulation in the smallest PCB area. Switching frequency is internally set to either 520 kHz or 1.6 MHz, allowing the use of extremely small surface mount inductor and chip capacitors, while providing efficiencies of up to 90%. Current-mode control and internal compensation provide ease-of-use, minimal component count, and high-performance regulation over a wide range of operating conditions. External shutdown features an ultra-low standby current of 80 nA, ideal for portable applications. Tiny SOT-23, WSON, and MSOP-PowerPAD packages provide space savings. Additional features include internal soft start, circuitry to reduce inrush current, pulse-by-pulse current limit, and thermal shutdown.

Elecena nie prowadzi sprzedaży elementów elektronicznych, ani w niej nie pośredniczy.

Produkt pochodzi z oferty sklepu