elecena.pl

High-efficiency Buck Converter with Ultra-low Quiescent Current and Load Switch

Texas Instruments

High-efficiency Buck Converter with Ultra-low Quiescent Current and Load Switch RSS Sample
  • Darmowa próbka
MPN:
TPS62748
Producent:
TEXAS INSTRUMENTS
Dodany do bazy:
Ostatnio widziany:

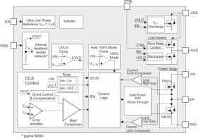
The TPS62748 is a high efficiency step down converter with ultra low quiescent current of typical 360 nA. The device is optimized to operate with a 2.2-µH inductor and 10µF output capacitor. The device uses DCS-Control™ and operates with a typical switching frequency of 1.2 MHz. In Power Save Mode the device extends the light load efficiency down to a load current range of 10-µA and below. TPS62748 provides an output current of 300 mA. Once started the device operates down to an input voltage range of 2.0 V. This allows to operate the device directly from a single Li-MnO2 coin cell.

The TPS62748 provides two programmable output voltages of 1.2V and 1.8V selectable by one voltage select pin. The TPS62748 is optimized to provide a low output voltage ripple and low noise using a small output capacitor. Once the input voltage comes close to the output voltage the device enters the No Ripple 100% mode to prevent an increase of output ripple voltage. In this operation mode the device stops switching and turns the high side MOSFET switch on.

The TPS62748 has a 100 mA load switch between pins VOS and LOAD with a typical ON-resistance of 0.6 Ohm. The load switch is typically used to distribute the buck converter output voltage to the sub-system.

Elecena nie prowadzi sprzedaży elementów elektronicznych, ani w niej nie pośredniczy.

Produkt pochodzi z oferty sklepu